Motor Fensterheber (Typ 463 ab 2000, Typ 230.4):
z.B. G55AMG 463.270 2/2006, SL55AMG 230.474 7/2002

tipp6a6: w463
Letzte Änderung 09.01.26/25.12.25/13.07.25/13.04.24/26.07.22/Beginn 31.10.2007 (C) Dr. Juliane Hehl
(Bilder soweit nicht extra gekennzeichnet in Eigenanfertigung)
Impressum gem. DSGVO

Webseite Juliane - zurück zur Tür-Auswahl

Die Webseiteninhalte bieten nur die Hilfe zur Selbsthilfe und sind keine Anleitung zur Reparatur,
nur eine Literatursammlung. Emails werden nicht beantwortet, es gibt keine Zugangsdaten! Das gilt
nicht für mir bekannte Clubmitglieder. Arbeiten am Fahrzeug erfordern fachliche Kompetenz und die Ehrlichkeit,
die eigenen Fähigkeiten richtig einzuschätzen oder besser die Finger davon zu lassen bzw. in die Werkstatt zu gehen.
Alle Angaben nach bestem Wissen, aber ohne Gewähr und Haftung!

Etliche Hinweise können unter Umständen bei fehlerhafter Ausführung zu erheblichen Folgeschäden führen. Es wird
daher ausdrücklich jede Haftung dafür abgelehnt. Der Ausführende trägt das alleinige und uneingeschränkte Risiko.
Übersicht: Motor Fensterheber (463 und R230 ab 2000):

Beim Geländewagen 463 G55AMG und beim R230 SL55AMG liegen gleiche Teile vor bzw. sind geringfügig anders.
1. Fensterhebermotor:
1.1 Motorenvergleich:
2. Motor abbauen:
2.1 Seiltrommel / Seilzug:
2.2 Umlenkrollen:

3. Elektrischer Anschluss:
3.1 Motorstecker:
3.2 Prüfkabel:
3.3 Variante Prüfstecker kürzere Sensoranschlüsse:
4. Motortest:
4.1 Motor zerlegen:
4.1.1 Zwei Hallgeber:
4.2 Funktion der Hallgeber:
4.3 Hallgeber A87L (A3187L) von Allegromicro:

5.1 Hallgebertest ohne Pullup-Widerstand:
5.2 Adapter für den Hallgebertest:
5.3 Hallgebertest mit Pullup-Widerstand:
6. Reparaturset Leitung:
1. Fensterhebermotor: top
Die Nummer auf dem Aufkleber bezeichnet den ganzen Fensterheber.
Die jeweilige Tür ist angegeben, z.B. LEFT DOOR.
Der Motor wurde von Fa. Brose/Siemens produziert.
Fahrertür links Fahrertür links
1.1 Vergleich: top

Das EPC-Net gibt keine Auskunft, ob die Motoren gleich sind. Erst ein direkter Vergleich zeigt, dass die
4 Motoren sehr ähnlich sind. Die aufgedruckte Nummer A2208204542 /Brose 119650-105 oder A2208204642 / Brose 119651-105
ist aber bestellbar.

Der Motor ist im EPC-Net nur bei den Pkws, z.B. W220, W203, CL55AMG usw. aufgeführt
und wurde dort bis 30.09.2002 verbaut. Siehe auch Fensterhebermotor 230 r230/sl55amg-fenster.htm#b42).
SL55AMG Typ 230.4:

Auch beim SL55AMG findet man den Brose-Motor mit gleichem Stecker, z.B. beim Seitenfenster oder am
Fensterheber für das kleine dreieckige Fond-Fenster. Wie beim G55AMG wurde ein Seilzugsystem verwendet.
Allerdings ist beim SL55AMG eine kompliziertere Bewegung des Fondfensters notwendig, da es gedreht wird.

Siehe auch Fensteranlage beim R230 r230/sl55amg-fenster.htm.

EPC-Net: Gruppe 67/60/4: R230: Fensterhebermotor Fondscheibe: A2208200342 (rechts), A2208200442 (links)
G55AMG Typ 463.270:

Nur das Getriebegehäuse einer Fahrzeugseite ist spiegelbildlich zur anderen gebaut. Auf der Rückseite des Motors sind die Brose-Nummern aufgedruckt.
Der Aufkleber auf der Vorderseite zeigt dann die Nummer und Lage des ganzen Fensterhebers. Die Getriebe haben für die Fahrerseite
die Nummer 8875 und für die Beifahrerseite die Nummer 8874. Beim Getriebe des Fensterhebers Fondtür links ist auch die Nummer 8875 vorhanden.
4 Fensterhebermotoren 4 Fensterhebermotoren Motor voli Motor hili Motor vore Motor hire
Motor voli Motor hili Motor vore Motor hire
2. Motor abbauen, z.B. 463: top

Nach dem Lösen der drei Schrauben (SW 10) kann man von der Unterseite die Metall-Grundplatte abnehmen.
Nun den Motor vorsichtig vom weißen Kunststoffträger nach oben abziehen.

Ein Gummiring schützt den Motor. Hinweis von Reiner B., Forum viermavier: Man findet ihn bei einem
Kühlerschlauch vom ML270CDI: A1164661382. Der Gummiring ist auch beim 460 verbaut.
Außendurchmesser 55 mm, Innendurchmesser 35 mm.
Fensterheber Fondtür links Gummischutz Gummischutz
Dabei unbedingt darauf achten, dass die Seiltrommel in dem weißen Kunststoffteil bleibt.
Zunächst den Motor nur 1-2 mm von der weißen Grundplatte abheben, dann mit einem Schraubendreher
zwischen Motor und Seiltrommel diese unten festhalten. Das Seil steht unter Spannung.

Man sieht auch, dass fast kein Fett vorhanden ist. Vor dem Zusammenbau also die Verzahnungen
in Seiltrommel und Motorachse einfetten.
Fensterheber Fondtür links Fensterheber Fondtür links Fensterheber Fondtür links
Das Schneckengetriebe ist am Flansch mit einer Kunststoffplatte mit Gummidichtungen
abgedeckt. Die Platte kann man vorsichtig abhebeln.
Fensterheber Fondtür rechts Fensterheber Fondtür rechts
2.1 Seiltrommel / Seilzug: top
Zwei Drahtseile werden gegenläufig mit etwa zwei Windungen auf der Seiltrommel auf- oder abgewickelt.
Jeweils ein Seilende ist einfach in die Aussparung der Seiltrommel eingehängt. Bei den Fensterhebern der
Fondtüren sind die beiden anderen Enden in der Anschraubplatte des Fenstergleiters eingehängt.
Siehe auch Fensterheber Fondtür rechts: Defekter Seilzug.
Fensterheber Fondtür links Fensterheber Fondtür links Fensterheber Fondtür links Fensterheber Fondtür links
2.2 Umlenkrollen: top
Die Umlenkrollen zerbrechen nach einigen Jahren, besonders wenn die Fensterführung klemmt. Es gibt sie leider
nicht als Ersatz. Die Befestigungen der Seilhülle wurde auch geändert, sie war mal einstellbar.
Tür hire Tür hire Tür hire Tür hire
3. Elektrischer Anschluss: W463, R230: top
Schaltplan Türsteuergerät N69/4 hinten rechts und Fensterheber-Motor M10/6:
PE72.29-p-2104-99gd Das Kabel (Leitungssatz) A4635400806 verbindet den Fensterhebermotor M10/6 mit dem Türsteuergerät N69/1
(Anschluss 8) mit zwei Motorstrom- und vier Hallgeber-Steuerleitungen.

Es hat an der Motorseite den schwarzen Stecker (Steckergehäuse 6-Pin 6-polig JPT: A0015409181, AMP 1-967332-1)
und an der Steuergeräteseite den weißen Stecker (EPC: Türleitungssatz). Steckereinsatz: 0,5-1.0 mm2 JPT: A0115458126.
Fahrertür links Fahrertür links Fahrertür links Fahrertür links Fahrertür links
3.1 Motorstecker Fensterheber G55AMG/SL55AMG: top

Zum Abziehen des schwarzen Steckers benötigt man viel Kraft, die Steckdose ist da sehr schwach
und wackelig am Gehäuse angegossen (Konstruktionsfehler), also muss man am Gehäuse gegenhalten
und die Sperren des Steckers seitlich eindrücken.
W463 G55AMG: Anschlüsse am Motor M10/1 bzw. M10/2 und Türsteuergerät N69/1 (Steckbuchse 8):
Pin 3 und Pin 6 sind der Motoranschluss 12 V (2,5 mm2),
die anderen sind die Leitungen (0,5 mm2) für die zwei Hallgeber.

Pin 1: sw/braun -> Hallgeber (-) Pin 3:
Pin 4: sw/blau --> Hallgeber (+) Pin 1:
Pin 2: sw/grün --> Hallgeber 1 Signal Pin 2:
Pin 5: sw/violett Hallgeber 2 Signal Pin 3:
Pin 3: grün -----> Motor 12V Pin 4:
Pin 6: schwarz --> Motor 12V Pin 5:
Fahrertür links Fahrertür links
´
Beim R230 SL55AMG sind die beiden hinteren Fensterhebermotoren
M10/5 bzw. M10/6 am Steuergerät Überrollbügel UVS N52 angeschlossen.
Schaltplan M10/6
3.2 Prüfkabel: top

Aus überzähligen Verbindungskabeln A4635400806 kann man sich Prüfkabel
für die Signale des Steuergeräts und für den Motor machen.
Büschelstecker und Kupplungen ermöglichen die Messung des Motorstroms.
Fahrertür links Fahrertür links
3.3 Variante Prüfstecker kürzere Sensoranschlüsse:

Motoranschluss (2,5 mm2):

Stecker grün: Pin 3 (gr)
Stecker schwarz: Pin 6 (sw)

Prüfstecker: Steuerleitungen Hallgeber (0,75 mm2):
5-12 Volt - Stecker rot: Pin 4 (sw/bl)
1. Sensor - Stecker blau: Pin 5 (sw/viol.)
2. Sensor - Stecker gelb: Pin 2 (sw/gr)
Masse - Stecker schwarz: Pin 1 (sw/br)
Fahrertür links
4. Motortest: top
Den 6-poligen schwarzen Stecker des Prüfkabels am Motor anstecken.
Wird der grüne und schwarze Prüfstecker (dickeres Kabel) kurzzeitig
mit 12 V verbunden, dreht sich der Motor. Die Drehrichtung hängt von der
jeweiligen Polarität des Anschlusses ab.

grüner Stecker: + Pol (schwarzer Stecker: - Pol): Der Fensterheber fährt runter.
grüner Stecker: - Pol (schwarzer Stecker: + Pol): Der Fensterheber fährt hoch.

Die untere Endstellung des Fensterhebers ist hier mit einem Gummianschlag
begrenzt. Den Fensterheber also nicht bis zur obere Endstellung fahren lassen,
er verklemmt sich, da der Schlitten über die Führungsschiene hinaus kommt.
Fahrertür links Fahrertür links
Der Motorstrom beträgt beim Anfahren einige Ampere, sinkt dann unter 1 Amp
und steigt bei Erreichen der unteren Endstellung über 10 Ampere.
Fensterheber Fondtür links
4.1 Motor zerlegen: top
Nach dem Lösen der vier Schrauben zieht man
den Motor vorsichtig vom Getriebe ab.
Motor Beifahrer Motor Beifahrer
Den Rotor mit der Elektronikeinheit mit den zwei Hallgebern und den Schleifkohlen für den Elektromotor
kann man einfach aus dem Gehäuse ziehen. An die Schleifkohlen und den Kollektor darf kein Fett kommen.
Motor Motor Motor Motor
4.1.1 zwei Hallgeber: top

Auf der Motorachse sitzt der mehrpolige Ringmagnet. Davor sind die
beiden Hallgeber versetzt angebracht.
Sie haben 3 Anschlusspins: +12 V, Sensorausgang und Masse
Motor Beifahrer Motor Beifahrer
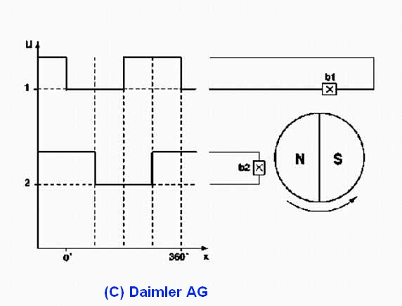
4.2 Funktion der Hallgeber (Hallsensor): top

Hallsensoren sind im Fahrzeug an vielen Stellen verbaut. Der Hall-Sensor bzw. der Hall-Effekt sind in der Wikipedia beschrieben,
siehe auch dort: Hall-Effekt. Man findet sie im Gaspedal, in Elektromotoren, z.B. Fensterheber, als Tachoimpulsgeber und
als Nockenwellenimpulsgeber.

siehe auch den Hallsensor der Niveausensoren beim ABC-Fahrwerk des R230.
Im Internet unter www.patent-de.com findet man die Dokumentidentifikation/Patentbeschreibung DE 198 35 091 C1, die die grundlegende Funktion beschreibt.

Dreht sich der Motor, liefern die Hallgeber entsprechend ihrer räumlichen Anordnung zueinander zeitlich versetzte Rechtecksignale.

siehe auch Positionserkennung Fensterhebermotor R230:

Die Auswertung der Frequenz und der Länge der beiden Rechtecksignale ergibt unter Berücksichtigung der Drehrichtung
die Drehzahl des Motors (Öffnungs- bzw. Schließgeschwindigkeit des Fensters), Bewegungsrichtung, Position der Scheibe
und ermöglicht einen Einklemmschutz.
4.3 Bauteil Hallgeber A87L von Allegromicro: top
Die verbauten Hallgeber 87L mit dem stilisierten "A" waren von Allegromicro. Der Baustein hat
die Bezeichnung A3187, Part_Numbers/3185/3185.pdf
wird aber nicht mehr hergestellt und ist durch den 1225 bzw. A1227 ersetzt.
Das L steht für den Temperaturbereich von -40 Grad C. bis +150 Grad. Pin 1: Versorgungsspannung,
Pin 2: Ground, Pin 3: Output
Ein defekter Hallsensor kann also ersetzt werden.
Hallgeber
Der Chip mit drei Anschlüssen beeinhaltet folgende Funktionen: Spannungsregler (Betriebspannungsbereich 3,8 - 24V),
quadratischen HALL-Spannungsgenerator, Temperaturkompensation, Verstärker, Schmitt-Trigger und einen Endtransistor
mit Open-Collektor-Ausgang.
5.1 Hallgebertest ohne Pullup-Widerstand: top
Die beiden Hallgeber funktionieren schon ab 5 Volt (Stromaufnahme: weniger als 10 mA). Schließt man einen Oszillographen an den Sensor an
, sind nur negative, etwa 0,1 Volt große Nadelimpulse (Time/DIV: 2 msec, Volt/Div: 0,1 V/cm ) zu sehen.
Hallsensoren haben einen Open-Collector-Ausgang. Daher muss man zwischen Sensorausgang
und + 12 V einen Pullup-Widerstand (z.B. 10 kOhm) anschließen. Dann erhält man die
Rechteckimpulse mit über 10 V am Sensorausgang.
Motor Beifahrer
5.2 Adapter für Hallgebertest mit Pullup-Widerstand: top
Eine Buchsenplatte mit den Widerständen vermeidet den Kabelverhau. Polycarbonat eignet sich
sehr gut und ersetzt das früher übliche Pertinax. Es läßt sich wie Metall sägen, bohren und
schleifen. Es fehlen jetzt noch zwei Taster für die Laufrichtungen des Motors.
Motor Beifahrer Motor Beifahrer Motor Beifahrer Motor Beifahrer
5.3 Hallgebertest mit Pullup-Widerstand / Zeigermessinstrument: top
Mit dem Pullup-Widerstand zeigt nun auch ein einfaches Vielfachmessgerät an, dass Impulse vorliegen.
Die Anzeige beträgt zunächst etwas über Null Volt oder fast 12 Volt (Versorgungsspannung). Läuft der Motor,
werden nur etwa 6 Volt angezeigt. Der Ausgangstransistor der Elektronik
schaltet den Ausgang periodisch auf Masse. So ergibt sich eine Anzeige von etwa
0,4 Volt oder etwa 12 Volt. Beim Motorlauf wird der Mittelwert von etwa 6 Volt angezeigt.

Der Zweistrahl-Oszillograph zeigt die Rechteckimpulse. Einstellungen Oszillograph:
VOLTS/DIV: 5 V/cm, TIME/DIV: 1 ms. Wie im Oszillogramm zu sehen ist, beträgt der
Zeitunterschied zwischen den beiden Rechteckimpulsen der Hallgeber im Leerlauf
ohne Fensterheber etwa 2 msek.

Für den R230, z.B. 230.474 SL55AMG, ist in der Arbeitsanweisung GF72.29-P-4000R die Funktion der Positionserkennung
beim gleichen Fensterhebermotor beschrieben.
Motor Beifahrer Motor Beifahrer
6. Reparaturset Leitung: top
Die Kabel des Reparatursets eignen sich auch als Testkabel zum Messen am Stecker.

Reparaturset (Stecker + Kabel) 1,0 mm2 JPT: A0005402705
eventuell Aderabdichtung 0.5 - 1.0 mm2: A0005452839
Reparaturset (Stecker + Kabel) 2,5 mm2 JPT: A0005402805
eventuell Aderabdichtung 1.0 - 2.5 mm2: A0005452939
Reparatursatz Reparatursatz

zurück zum Anfang - HTML-Validation by-Upload

Valid HTML 4.01!