1. Lenkrad R230 Typ 230.4: z.B. SL55AMG: 230.474, 7/2002

r230/sl55amg-lenkrad.htm:
Letzte Änderung am 05.07.22/26.06.20/10.03.20/28.02.20/Beginn 26.02.2020 Copyright Dr. Juliane Hehl
(Bilder soweit nicht extra gekennzeichnet in Eigenanfertigung)
Impressum gem. DSGVO


Roadmap - Motor M113.992 R230 - Stichwörterverzeichnis R230

Die Webseiteninhalte bieten nur die Hilfe zur Selbsthilfe und sind keine Anleitung zur Reparatur, nur eine Literatursammlung.
Emails werden nicht beantwortet, es gibt keine Zugangsdaten!
Das gilt nicht für mir bekannte Clubmitglieder.

Arbeiten am Fahrzeug erfordern fachliche Kompetenz und die Ehrlichkeit, die eigenen Fähigkeiten richtig einzuschätzen
oder besser die Finger davon zu lassen bzw. in die Werkstatt zu gehen. Alle Angaben nach bestem Wissen, aber ohne Gewähr und Haftung!

Etliche Hinweise können unter Umständen bei fehlerhafter Ausführung zu erheblichen Folgeschäden führen. Es wird daher ausdrücklich
jede Haftung dafür abgelehnt. Der Ausführende trägt das alleinige und uneingeschränkte Risiko.

Bei Arbeiten an der Active Body Control (ABC) besteht Verletzungsgefahr durch Hochdruck in den Hydraulikleitungen (vorher Druck ablassen)
und durch selbständige Bewegungen der Karosserie. Gespannte Federn besitzen ein großes Gefahrenpotenzial.
Übersicht: Lenkrad R230 Typ 230.4
1. Übersicht Typ 230.4 Lenkrad:
2. Funktion Multifunktionslenkrad bis 31.08.2003 :
2.1 Allgemeines:
2.2 Systembauteile:
2.3 Vernetzung der Bauteile:

3. Tastergruppe:
3.1 Tasterstellung einlesen:
4. EPC-Net:
5. Lenkrad ausbauen: Typ 230.4:
5.1 Airbag ausbauen:
5.2 Tastereinheit aus-, einbauen:

6. Mantelrohrmodul: Typ 230.4:
6.1 Kontaktspirale ausbauen: Typ 230.4
6.2 Lenkwinkelsensor N49 :
6.3 Lenkwinkelsensor aus-, einbauen:
6.4 Tastschalter Tempomat S40 aus-, einbauen: Typ 230.4
7. Schaltpläne: Steuergerät Mantelrohrmodul N80:
7.1 Sicherungen Lenkrad :
7.2 Lenkradheizung A74:
8. Diagnose Mantelrohrmodul: Typ 230.4:


Roadmap - Dokumentationen:

Sl55AMG

Bauteile-Übersicht von A - Z

Übersicht Arbeitsanleitung:
Teil 1: Übersicht Typ 230.4: Lenkrad: WIS-Stand 9/2013 top

Inhaltsverzeichnis Funktionsbeschreibung Multifunktionslenkrad:

Typ 230.4 bis 31.08.2003 GF82.90-P-0999RZ (vom 09.11.2000 - Stand 09/2013):

ausser Code (494) USA-Ausführung und Code (489) Japan-Ausführung

Typ 230.4 ab 01.09.2003 bis 31.05.2004 GF82.90-P-0999RJ vom 20.03.2008:

mit Code (494) USA-Ausführung und Code (498) Japan-Ausführung von 01.09.2003 bis 30.06.2004

Typ 230.4 ab 01.06.2004 GF82.90-P-0999RM (vom 20.03.2008:

ausser Code (494) USA-Ausführung und Code (498) Japan-Ausführung bis Modell-J. 2008 AEJ 07
ab 01.07.2004 mit Code (494) USA-Ausführung bis Modell-J. 2008 AEJ 07
2. Multifunktionslenkrad Funktion: Typ 230 bis 31.08.2003: top

GF82.90-P-0001R
ausser Code (494) USA-Ausführung und Code (498) Japan-Ausführung
Das Lenkrad hat 4 Tasten mit je 2 Funktion:

Taster links:

S110 s1 Vor- und Zurückblättern
S110 s3 Systemauswahl
S110 s5 Fanfare H2 links und H2/1 rechts, Prallplatte

Taster rechts:

S111 s1 Einstellung spezifischer Funktionen und Lautstärkeregelung +/-
S111 s3 Taster Telefongesprächsannahme und - ende
SL55AMG SL55AMG SL55AMG
2.1 Allgemeines: top

Bedienung und Abfrage von Audi, Navigation, Distronic, Stör-und Warnmeldungen, Einstellungen (Kombi, Beleuchtung, Fahrzeug, Heizung, Komfort)
Reiserechner, (Tele Aid), Telefon

Die Anzeige erfolgt in den beiden Anzeigen des Kombinstrumentes links (A1p13) und rechts (A1p15).

Prallplatte: Fanfare links (H2) und rechts(H2/1)
2.2 Systembauteile: top

Übersicht Systembauteile: Multifunktionslenkrad: Typ 230.4 ab 01.09.2003 bis 31.05.2004: GF82.90-P-999RJ vom 20.03.2008 / WIS-Stand: 09/13

Inhaltsverzeichnis Funktionsbeschreibung Multifunktionslenkrad: Typ 230 bis 31.08.2003 GF82.90-P-099RZ vom 09.11.2000

Multifunktionslenkrad Funktion: Typ 230 bis 31.08.2003 GF82.90-P-0001R vom 09.1.2000
2.3 Vernetzung der Bauteile: Version 15.03.07 top

Typ 230 bis 31.08.2003: GF82.90-P-0001-01R vom 15.03.2007
Legende: Typ 230 bis 31.08.2003:

A1 Kombiinstrument, A2 Radio, A2/6 CD-Spieler, A2/13 Soundverstärker, A34/4 Telefoninterface,
A40/3 Comand, A45 Kontaktspirale, A80 Mantelrohrmodul
SL55AMG
Typ 230.474 ab 01.06.2004: GF82.90-P-0001-01RN

Nun wird der schnellere MOST-Bus und nicht mehr der langsame D2B-Bus verwendet.

N10/11 Steuergerät SAM Beifahrer, N93/1 Steuergerät Audiogateway,
SL55AMG
Typ 230.475/476 ab 01.06.2004: GF82.90-P-0001-01RM
ausser Code (482) Lenkradschalttasten, Japan, USA 230.467 bis Modell-J. 2008

Typ 230.474 ab 01.09.2003 bis 31.05.2004: GF82.90-P-0001-01RKI

Typ 230.467 ab 01.06.2004 bis 31.05.2004: GF82.90-P-0001-01Ro
3. Tastergruppe Multifunktionslenkrad Anordnung / Aufgabe: Version 15.03.2007 top

Typ 230.4 ab 1.09.03 bis 31.05.2004 GF82.90-P-4000RJ

Typ 230.4 ab 1.06.04 GF82.90-P-4000RM

3.1 Tasterstellung einlesen Funktion: Version 15.03.2007 top

Von der Tastatur am Lenkrad werden die Steuersignale über die Kontaktspirale Fanfaren sowie Airbag (A45) zu dem Steuergerät im
Mantelrohrmodul (N80), von dort über den CAN-Innenraum zum Kombiinstrument (A1) geleitet.

Typ 230.474 ab 01.09.2003 bis 31.05.2004 - Typ 230: ab 01.09.2003 bis 30.06.2004: GF82.90-P-3001RK

Typ 230.467/479 ohne Code (428) Lenkradschalttasten: GF82.90-P-3001RJ

Typ 230.475/476 ab 01.06.2020 GF82.90-P-3001RM
4. EPC-Net: top

Bild-Nr. 10: Lenkrad A23046014039667 bis F 122820 / 30.03.2006

Bild-Nr. 50: Schalter rechts A2308202410 9116 schwarz matt

Bild-Nr. 10: Schalter links A2308202310 9119 schwarz matt
SL55AMG
5. Lenkrad ausbauen: Typ 230.4 top

Dann das Lenkrad ausbauen: AR46.10-P-0100I (gilt nicht für 230.479), dazu die Vorderräder in Geradeausstellung drehen.

Lenkrad festhalten und die Senkschraube in der Lenkradnabe herausdrehen (80 Nm). Die Senkschraube wird erneuert. Das Lenkrad abnehmen,
aber die darunterliegende Kontaktspirale nicht verdrehen (dann Beschädigung). Beim Montieren Lenkrad waagrecht aufsetzen.
Die Aussparungen der Kerbverzahnung stehen senkrecht.

Nach dem Einbau Fehlerspeicher löschen. Bei vollem Lenkeinschlag nach beiden Richtungen darf die SRS-Kontrollleuchte
(SRS Sicherheitsrückhaltesystem) nicht aufleuchten.

Für Mitglieder des SL-R230-Forums.de gibt es dort von "Topi" eine bebilderte Anleitung oder hier.
SL55AMG
5.1 Airbag ausbauen: Typ 230.4 top

Airbag ausbauen:

Typ 230.4 bis 28.01.2008 ausser Code (809) Modelljahr 2009: AR91.60-P-0660R

Typ 230.4 ab 29.1.08, 230.4 mit CODE (809) Modelljahr 2009: AR91.60-P-0660RA

Achtung: Verletzungsgefahr, ausgebaute Airbags nur mit der Austrittsfläche nach oben lagern,
die Arbeiten dürfen nur von sachkundigen Personen erfolgen. Bei Arbeiten vorher Zündung ausschalten, Schlüssel abziehen,
die Keyles-Go-Karte in mehr als 2 m Abstand vom Auto aufbewahren.


siehe AS91.00-Z-0001-01A, AH91.00-P-0002-01M und AH91.00-P-0004-01A

Airbag-Einheit festhalten. Die zwei Schrauben (8 Nm) an der Rückseite lösen, sie verbleiben am Lenkrad. Airbag-Einheit hochheben
und die beiden elektrischen Steckverbindungen zur Zündpille 1 und Zündpille 2 trennen. Airbag abnehmen und mit der Austrittsfläche
nach oben ablegen. Beim Zusammenbau müssen die Steckverbindungen hörbar einrasten.

siehe auch Airbag Steuergerät N2/7, Schaltpläne usw.
5.2 Tastereinheit aus-, einbauen: top

Dazu muss vorher die Airbag-Einheit Fahrer ausgebaut werden.

Typ 230.4 ab 20.01.2008 mit Code (809) Modelljahr 2009 AR54.25-P-2840R vom 14.04.2008
6. Mantelrohrmodul: Typ 230.4 : top

Aus-, Einbau Mantelrohrmodul (ohne Sprach-Bedien-System): AR54.25-P-2802I

siehe auch Sprach-Bediensystem
6.1 Kontaktspirale ausbauen: Typ 230.4 top

siehe AR46.10-P-0200I

Beim Ausbau darf die Kontaktspirale A0004640418 (Wickelfeder) nicht verdreht werden (steht in Mittelstellung bei
gerader Stellung des Lenkrades). Die Kontaktspirale ist mit drei Schrauben am Mantelrohrschaltermodul befestigt.

Zum Ausbau zuerst eine der drei Schrauben so weit herausdrehen, dass die Kontaktspirale nicht verdreht werden kann. Dann
die zwei anderen Schrauben soweit herausdrehen, dass die Kontaktspirale abgenommen werden kann.

Die Mittelstellung der Kontaktspirale ist einstellbar: AR46.10-P-0200-01I vom 21.02.2008

Lenkwinkelsensor N49 :

Lenkwinkelsensor aus-, einbauen:

6.4 Tastschalter Tempomat S40 aus-, einbauen: Typ 230.4 top

siehe AR54.25-P-2803I vom 20.12.2005

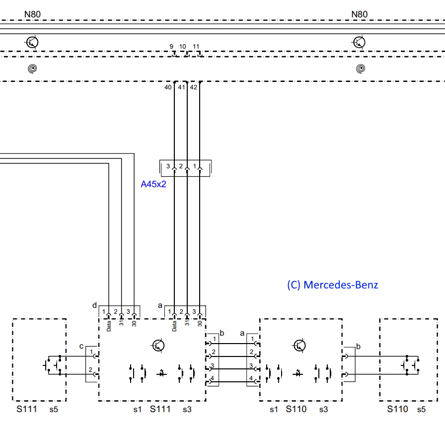
7. Schaltpläne Steuergerät Mantelrohrmodul N80 : top

Übersicht: PE46.00-P-1100KA

Schaltplan Mantelrohrmodul N80 Typ 230.4 bis 31.08.2003 : PE46.10-P-2101-97KA

Taster links:

S110 s1 Vor- und Zurückblättern
S110 s3 Systemauswahl

Prallplatte: S110 s5 Fanfare H2 links und H2/1 rechts,

Taster rechts:

S111 s1 Einstellung spezifischer Funktionen und Lautstärkeregelung +/-
S111 s3 Taster Telefongesprächsannahme und - ende
SL55AMG SL55AMG
Schaltplan Mantelrohrmodul N80 Typ 230.4 ab 01.09.2003 bis 29.08.2008 : PE46.10-P-2101-97KB

Schaltplan Mantelrohrmodul N80 Typ 230.4 ab Modell-J. 2009 AEJ 08/Mopf : PE46.10-P-2101-97KC
7.1 Sicherungen Lenkrad : top

in Klammern Position im Schaltplan (Zahl, Buchstabe): PE46.10-P-2101-97KB: ab 01.09.2003 - 29.08.2008:

F33 Vorsicherungsdose hinten(1K): Sicherung f3: 7,5A
K40/4 Sicherungs-/Relaismodul Beifahrer (27L, 32L): Sicherung f39: 15A
7.2 Lenkradheizung: top

Für die Lenkradheizung gibt es ein eigenes Steuergerät A74.

siehe o.a. Schaltpläne je nach Baujahr PE46.10-P-2101-97KA, -97KB, -97KC

Blockschaltbild Lenkradheizung: PE46.11-P-2001-97KA

Die Lenkradheizung ist wieder sehr komplex. Über den CAN-B sind folgende Steuergeräte dazu vernetzt:

A74 Lenkradheizung, N70 Dachbedieneinheit, N99 Steuergerät DC/DC-Wandler, N82/1, N80 Mantelrohrmodul, N73 Steuergerät EZS,
A1 Kombiinstrument, N55 Steuergerät Systemdiagnose bzw. N93 Zentrales Gateway ab 09/03

Schalter Lenkradheizung: S59/1s2, Heizung R22/4: R22/4b1 Temperaturfühler Heizspirale, R22/4r1 Heizspirale
8. Diagnose Mantelrohrmodul: Typ 230.4 : top

Mit der Diagnose können die Bedienteile des Lenkrades getestet werden. Das Mantelrohrmodul wird im Menü "Information und Kommunikation"
mit dem Menü "MRM Mantelrohrmodul" aufgerufen. Es folgt die Abfrage, ob ein Tastschalter Tempomat TPM S40/4 (variable Geschwindigkeitsbegrenzung) verbaut ist.
SL55AMG SL55AMG SL55AMG
Valid HTML 4.01! Validation für HTML 4.01 - diese Seite validieren:

zurück zum Anfang top