1.1 Bericht von Thomas Pillich vom 30.07.11, sl-r230-forum.de (nur intern):
siehe
Forum
oder hier als Pdf (nur für Mitglieder).
2. Heckdeckelschloss: Notöffnung:
Der Heckdeckelverschluss kann mechanisch oder pneumatisch geöffnet werden. Die Öffnung mit dem mechanischen Schlüssel ist unabhängig vom Zustand der Zentralverriegelung ZV in der 30 Grad-Stellung immer möglich (Notöffnung). Allerdings wird dadurch
die Alarmanlage EDW ausgelöst, die mit dem Einstecken des
Zündschlüssels (Senderschlüssel (A8/1)) ins Zündschloss EZS N73 oder mit
dem "Öffnen/Schliessen"-Signal des Zündschlüssels beendet wird.
|
 |
 |
siehe auch GF80.20-P-3011R - Heckdeckel mit mechanischem Schlüssel ver/entriegeln Funktion: dort Verweis auf: GF80.20-P-4103-01R
Heckdeckel öffnen mit dem Senderschlüssel GF80.20-P-3010R
Heckdeckelschloss öffnen mit dem Innenschalter GF80.20-P-3012R
Heckdeckel manuell öffnen Funktion GF80.20-P-3013R
Heckdeckelschloß Anordnung/Aufgabe/Aufbau/Funktion GF80.20-P-4103R
Im www.sl-r230-forum wurde von Franz (FHE) berichtet, dass sich der Heck(Kofferraum)deckel mit dem Betätigungsgriff nicht mehr öffnen ließ.
Er hatte den Notschlüssel um 120 Grad ( entspricht 30 Grad nach links) gedreht und abgezogen. Damit ist die Fernbedienung wirkungslos.
Wird der Schlüssel in der 90-Gradstellung abgezogen, funktioniert es auch wieder mit der Fernbedienung.
|
3. Heckdeckelschloss Schalter S134, S88/8, S88/4 ohne Keyless Go:
Übersicht:
GF80.20-P-4103R, dort Verweis auf
GF80.20-P-4103-01R
Anordnung: Das Heckdeckelschloss befindet sich an der Unterseite des Heckdeckels.
Aufgabe: Der Heckdeckel wird verriegelt.
Aufbau:
Das Heckdeckelschloss besteht aus drei Bauteilen, dem Verschluss (Drehfalle), dem Schalter Heckdeckelverriegelung S134 mit Schließzylinder und dem
Schalter Heckdeckelaußenbetätigung S88/8 = Griff zum Öffnen.
In der Drehfalle ist der 2-fach-Masse-Schalter Drehfalle Sperrklinke S88/4 untergebracht.
|
 |
3.0.1 Heckdeckelschloss Schalter S134:
Das Steuergerät Pneumatische Steuereinheit A37 erkennt die Stellung des Schalters Heckdeckelverriegelung S134 (Schließzylinder).
Funktion: GF80.20-P-4103-01R
In der 0-Grad-Stellung des Schalters S134 (Schließzylinder) kann der Heckdeckel normal über den Betätigungsgriff (Außenbetätigung S88/8),
dazu muss die Zentralverriegelung ZV global entriegelt sein.
|
 |
In der 90 Grad-Stellung des Schalters S134 (Schließzylinder) bleibt der Heckdeckel immer geschlossen und die Verriegelung des Heckdeckels
wird nicht gelöst (Mechaniker soll nicht an Kofferraum).
|
 |
Wird der Schalter S134 (Schließzylinder) in der 30 Grad Stellung (gegen Uhrzeigersinn) gehalten und der Betätigungsgriff
(Heckdeckel Außenbetätigung S88/8) betätigt,
wird die Heckdeckelverriegelung mechanisch gelöst (Notöffnung und Alarmauslösung, abschalten mit Zündschlüssel einstecken oder betätigen.
|
 |
3.0.2 Schalter S88/4 Drehfalle Sperrklinke:
Das Steuergerät SAM Fond N10/8 liest die Stellung des Schalters S88/4 ein (Heckdeckel offen / geschlossen)
|
3.1 EPC-Net: 75 Heckdeckel / 030 Druckschloss Heckdeckel / 3: Preise Stand 6/2016
R230 alle Typen 230.454/456/458/467/470/471/472/474/475/476/477/479, siehe Typenübersicht
Bild-Nr. 10: Schloss: A2307500185 (alt:A2307500085) - 239,01Euro ohne MwSt.
Bild-Nr. 15: Leitung: A2208001415
Bild-Nr. 20: Schalter Drehfalle Kofferraumdeckel zu: A2308205610 - 55,16 Euro ohne MwSt.
Das 1. Bild zeigt die weiße Druck-/Unterdruckdose des Heckdeckelschlosses 10 nach abgebauter Verkleidung innen am Heckdeckel.
|
 |
 |
|
3.1.1 Druckluftanschlüsse:
|
3.1.2 Reparatur Druckdose:
Die eingepresste Kugel dichtet nicht mehr ab. Mit dem Kleber Berfix hat Harald vom Forum www.sl-r230-forum.de (halg60)
den Riss im Kunststoff abgedichtet. Auch der Rand der schwarzen Druckdose wird undicht.
|
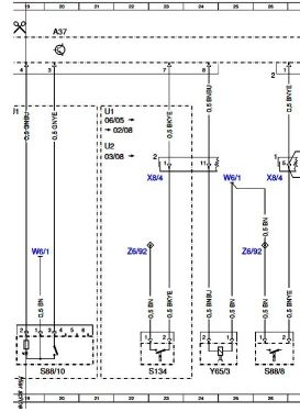
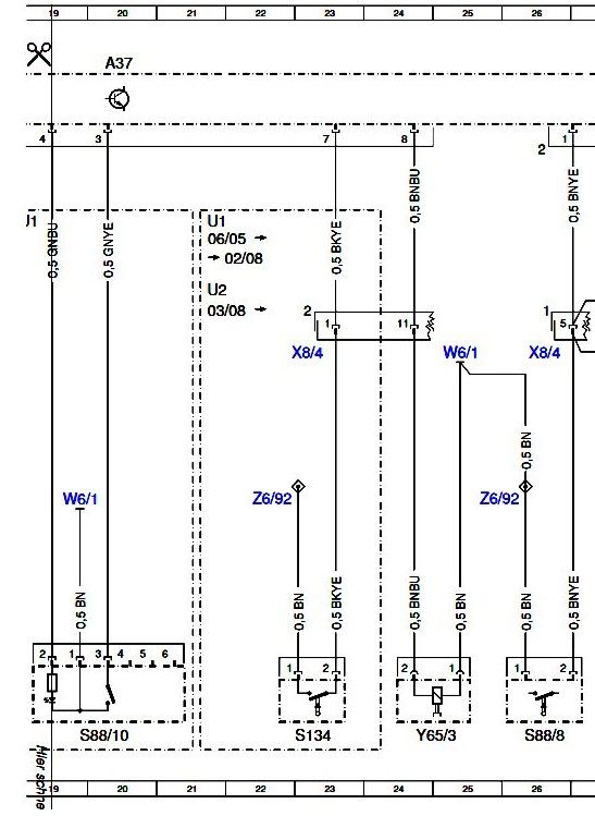
3.2 Anschlüsse: Schalter S88/4, S134, S88/8 und S88/10
Schalter Drehfalle Sperrklinke S88/4:
Der Schalter S88/4 wird vom Steuergerät SAM Fond (N10/8) eingelesen.
Er enthält die Einzelschalter S88/4s1 (Drehfalle) und S88/4s2 (Sperrklinke).
Steckhülsengehäuse: A0295455528
Kontaktbuchse MQS 0,2 - 0,5 mm: A0165454126
S88/4 im Schaltplan SAM Fond (10/8): PE54.21-P-2103-99KA
In der Trennstelle X8/4 im Kofferraum sind die Pins 10 und 8 enthalten, die von den
Drehfalle-Schaltern S88/4s1 und S88/4s2 auf Masse (Massestelle W6/1) im Kofferraum links) gelegt werden.
|
 |
S134, S88/8 und nur USA: S88/10:
Sie sind im Schaltplan PE80.20-P-2101-97KA enthalten:
S134: Schalter Heckdeckelverriegelung, S88/8: Schalter Heckdeckel (Griff), (nur USA: S88/10: Schalter Heckdeckel Notöffnung), Außenbetätigung
|
 |
3.3 Anordnung/Funktion Schalter Drehfalle Sperrklinke S88/4
Der Schalter S88/4 ist auf der Rückseite der Schlosseinheit in einer Führung eingerastet.
In Stufe 0 (Heckdeckel offen) ist kein Taster/Schalter gedrückt.
In Stufe 1 (Heckdeckel angedrückt) ist Taster/Schalter a) gedrückt (Öffner)
In Stufe 2 (Heckdeckel zugezogen) sind beide Taster a) und b) (Schließer) gedrückt.
Daraus ergeben sich folgende Kontaktverbindungen:
Stufe 0: Pin 1 (Masse) und 2 verbunden,
Stufe 1: keine Masseverbindung,
Stufe 2: Pin1 und 3 verbunden.
Es passt der Stecker A0295455528 auf den Schalter, der auch beim Audioklinkensteckeranschluss
für den Handschuhkasten verwendet wird. Ich hatte den Stecker mit drei Kabelenden in der Bastelkiste
gefunden. So kann man mit dem Ohmmeter den Schalter S88/4 ausmessen.
|
 |
 |
 |
 |
 |
 |
 |
 |
 |
3.4 Diagnose Drehfalle S88/4 und S88/8
Mit der Diagnose findet man im Menü Aufbau das Menü PSE Pneumatische Steuereinheit den Heckdeckel beim Steuergerät PSE.
Damit können die 0- und 90 Grad-Stellung des Notschlüssels (Schalter Drehfalle) abgefragt werden und die Betätigung des Deckelgriffes.
Mike berichtet am 26.03.2019 im www.sl-r230-forum.de,
dass er die wegen Undichtigkeiten abgeschaltete Pneumatische Steuereinheit A37 mit der Diagnose und Löschung des Fehlers "f" wieder einschaltet.
|
 |
 |
 |
4. Heckdeckelschloss Taster S62/1 mit Keyless Go (Code 889) bis Modelljahr 2008:
Übersicht: Taster Keyless Go (Code 889):
GF80.61-P-4106R :
Funktion: Taster Keyless Go Heckdeckel Funktion:
GF80.61-P-4106-03R
siehe Verriegelung
Rechts neben dem Öffner für den Heckdeckel befindet sich der Taster S62/21 für die Verriegelung, dieser ist am
Steuergerät Keyless-Go (N69/5) angeschlossen.
Beim Drücken veranlasst die Keyless-Go Steuereinheit den Senderschlüssel/Karte, den Berechtigungscode über Funk zu senden.
Die Frontscheibenantenne empfängt das Signal, es wird vom Antennenverstärkermodul rechts A2/65 verstärkt und an das
Steuergerät Dachbedieneinheit N70 weitergeleitet.
Das Steuergerät EZS überprüft die Berechtigung des Senderschlüssels und gibt über den CAN-Bus das Signal "Verriegeln" an
die Pneumatische Steuereinheit A37, die den Heckdeckel verriegelt.
|
 |
 |
5. Heckdeckel öffnen Funktion mit Keyless Go Code 889:
Heckdeckel öffnen - Funktion: Keyless-Go bis bis 31.12.2002:
GF80.61-P-2011R
|
Validation für HTML
4.01
- diese Seite validieren:
zurück zum Anfang
|