Teil 6.2 Ladeluftkühler, NTK-Pumpe M44:
Motor M113.992 SL55AMG / M113.993 G55AMG(K)

motorg55-7-2.htm: r230:
Letzte Änderung 22.01.26/19.10.22/04.09.22/16.07.22/19.06.22/17.08.21/15.06.20/Beginn 21.11.2013 (C) Dr. Juliane Hehl
(Bilder soweit nicht extra gekennzeichnet in Eigenanfertigung)
Impressum gem. DSGVO

SL55AMG-Roadmap - Motor M113.99#
Stichwörterverzeichnis R230 - Kompressor

Die Webseiteninhalte bieten nur die Hilfe zur Selbsthilfe und sind keine Anleitung zur Reparatur, nur eine Literatursammlung.
Emails werden nicht beantwortet, es gibt keine Zugangsdaten!
Das gilt nicht für mir bekannte Clubmitglieder.

Arbeiten am Fahrzeug erfordern fachliche Kompetenz und die Ehrlichkeit, die eigenen Fähigkeiten richtig einzuschätzen oder besser
die Finger davon zu lassen bzw. in die Werkstatt zu gehen. Alle Angaben nach bestem Wissen, aber ohne Gewähr und Haftung!

Etliche Hinweise können unter Umständen bei fehlerhafter Ausführung zu erheblichen Folgeschäden führen. Es wird daher ausdrücklich jede
Haftung dafür abgelehnt. Der Ausführende trägt das alleinige und uneingeschränkte Risiko.
Die Abschnitte 1 - 3.9 sind ausgelagert: motorg55-7-1.htm

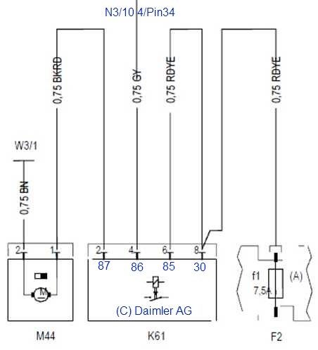
3.10 Schaltplan Pumpe M44:
4. Motor M113.992/993 - Fehler P2027-001: Ansauglufttemperatur
4.0.2 SL55AMG / Pumpenstrom messen:
4.1 Diagnose:
4.2 Messadapter:

4.3 Diagnose und Pumpe M44:
4.4 Strommessung Pumpe M44:
4.5 SL55AMG: Diagnose und Pumpe M44:
5. Teile NTK-Pumpe M44:
5.1 G55AMG: defekte NTK-Pumpe M44:

5.2 SL55AMG: defekte NTK-Pumpe M44:


Zurück zur Übersicht Motor M113.99#
Auch wenn am G55AMG gemessen wurde, es ist beim SL55AMG gleich, da beide die gleiche Pumpe M44 besitzen.
Teil 6.2 Ladeluftkühler, NTK-Pumpe M44

3.10 Schaltplan Pumpe M44 Typ 463/G55AMG: top

siehe Abschnitt 3.1: Anschlüsse Motorsteuergerät ME 2.8.1 (N3/10):

Das Kabel zur Pumpe besitzt eine zweipolige Spezialkupplung A2305400081, MQS, mit blauer Kodierung C

(Kabel braun = Masse u. schwarz/rot = Relais K61 von KL. 87 abgesichert, +12 V)

M44: Typ 463.270 G55AMG: 10A-Sicherung F21/A, Sicherungskasten Fahrerseite Cockpit, oberer Reihe rechts, siehe hier.

Einzelheiten zur Kupplung (Stecker weiblich) siehe Stecker am G .
463: M44 Pumpe Ladeluftkühler Pumpe Ladeluft-Kühler Pumpe Ladeluft-Kühler
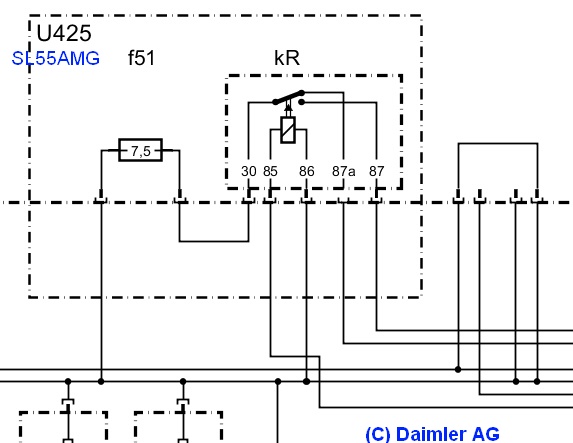
M44: Typ 230.474 SL55AMG siehe SAM Fond Sicherungs-, Relaisbelegung

Es gibt verschiedene Schaltplanvarianten zur Pumpe M44:

M113.992 bis 28.02.2006 , M113.995 ab 01.03.2006 - 29.02.2008

Motorsteuergerät ME 2.8 N3/10: PE07.61-P-2101-97KF

Typ 230: M112.973, M1213.963/99 bis 28.02.2006, M113.995 ab 01.03.2006:

Schaltplan Sicherungs- u. Relaisbox hinten SAM: PE54.15-P-2103-97KA

Beim SL55AMG wird die Pumpe über das Relais K40/5KR vom Steuergerät N3/10 eingeschaltet.
Strom fließt von der Vorsicherung F33 (200A) über die Sicherung f51 (7,5 A) zur KL30 und zu KL87 zur Pumpe M44.

Das Steuergerät N3/10 schaltet masseseitig über KL85 das Relais (12V an KL30) ein und legt damit Pin 5
von Motorsteuergerät ME2.8.1 N10/8 an Masse. Im ausgeschalteten Zustand ist Kl30 mit KL87a verbunden.
463: M44 Pumpe Ladeluftkühler 463: M44 Pumpe Ladeluftkühler
4. Motor SL55AMG M113.992 / G55AMG M113.993: Ansauglufttemperatur zu hoch: top

Fehler P2027-001: Ansauglufttemperatur zu hoch: Bei Vollgas tritt Leistungsverlust ein - der Kompressor schaltet ab.
4.0.1 G55AMG 463.270: top

Steigt die Ladelufttemperatur bei Vollgas bis fast 100 Grad C. an (normal beim G55AMG etwa bis 60 Grad C.), so schaltet bei weiterem
Anstieg die Magnetkupplung den Kompressor ab. Funktionieren Ladeluft-Temperatursensor B7/18, Pumpe M44 und Relais K61,
so ist die Kühlung in den beiden Kühlern unzureichend.

Beim G55AMG(K) Bj. 2/2006 trat erstmalig nach 74700 km der Fehler P2027-001 / P1999) auf der Autobahn am 17. März 2013 kurzeitig auf und
war nur im Ereignisspeicher abgelegt. Bei etwa 225 km/h (Vollgas) und 10 Grad C. Außenlufttemperatur wurde die Leistung reduziert und die
Geschwindigkeit betrug nur noch 183 km/h.

Nach kurzer Fahrt mit etwa 160 km/h wurde wenige Minuten später wieder die Endgeschwindigkeit erreicht. Auch die Auspufftemperatur war höher
als sonst, siehe Auspufftemperaturmessanlage beim G55AMG(K).

Bei älteren Gs kann die Ursache auch Verkalkung des Kühlers sein oder äußere Verschmutzung durch Geländefahrt. Besonders der kleinere
Zusatzkühler in der Stoßstange mit den Lüftungsschlitzen ist schmutzgefährdet.

Fehlercode im Ereignisspeicher: Code P2027. Die genaue Diagnose mit Strommessung zeigte, dass die Pumpe defekt ist.

Als ich sie zerlegte, war die Ursache gefunden. Die Kohlen waren nach 7 Jahren und 76.000km abgeschliffen und konnten
so nicht mehr am Kollektor aufliegen, siehe Demontage.
4.0.2 SL55AMG: M113.992 - Fehler P2027-001: Ansauglufttemperatur zu hoch: top

Diagnose SL55AMG:

Bei meinem SL55AMG 7/2002 war nach der Gotha-Ausfahrt 2014 am Wochenende vom 9.05. - 11.05. bei ca. 69400 km der gleiche Fehler P2027-001 (P1999)
als nicht akuter Fehler gespeichert. Die Umgebungsdaten kann man auch abfragen.
M44 Pumpe Ladeluftkühler M44 Pumpe Ladeluftkühler M44 Pumpe Ladeluftkühler
Mit dem Messadapter (Abschnitt 4.2) wird anstelle der Sicherung f51 im SAM Fond die Stromaufnahme der Pumpe gemessen.

Vergleicht man die Sicherungsbelegung, stellt man fest, dass die gleiche Pumpe M44 bis 31.05.2004 mit 40A,
danach nur mit 7,5 A abgesichert ist. Die neue Pumpe nimmt im G55AMG etwa 3,7 A auf. Beim Geländewagen
ist die gleiche Pumpe auch mit 7,5A abgesichert.

Unter der Sicherung f51 (im Bild Messadapter) sitzt das Relais K40/5kR (Relaisplatz R),

siehe Anordnung der Bauteile: M113.992/995, 230.474/472 bis Modell-J. 08 /AEJ 07: GF07.61-P-000.01HA

siehe Gepäckbox ausbauen und Sicherungsbelegung SAM Fond.
SL55AMG M44 Pumpe Ladeluftkühler
4.1 Diagnose: G55AMG: top

Prüfung der Pumpe M44:

Die Pumpe kann mit der Diagnose angesteuert werden. Menü Steuergeräte, Antrieb,
ME2.8 Motorelektronik, überschreiben: nein oder ja, M44 ein-, ausschalten.
M44 Pumpe Ladeluftkühler M44 Pumpe Ladeluftkühler
Im Menü 'Gesamtliste der geführten Prüfungen' das Menue 'Ladeluftkühlsystem prüfen'. Im Menü 'Bauteil M44 Umwälzpumpe prüfen' gibt es die
Diagnose 'Umwälzpumpe über Ansteuerung prüfen' und drei manuelle Prüfmöglichkeiten mit einem Messgerät: Stromaufnahme mit Sicherungsadapter,
Steuerleitung ME 2.8 und Relais K61.
M44 Pumpe Ladeluftkühler M44 Pumpe Ladeluftkühler M44 Pumpe Ladeluftkühler
G55AMG(K): Bei solchen kurzzeitigen Fehlern sollte man die Stromaufnahme der Pumpe während der Fahrt messen.
Am einfachsten geht das an der 10A-Sicherung F21/A am Sicherungskasten Fahrerseite, oberer Reihe rechts, siehe
Sicherungen Fahrerseite, Cockpit. Laut Diagnose gibt es einen Strombereich der Pumpe von 2,7 - 4 A.
Prüfstecker Sicherung Prüfstecker
4.2 Messadapter: top

Interessant ist die Messung während einer Fahrt. Der von Mercedes vorgesehene Prüfadapter W140589122100 (Stand 12/2015)
ist aber zu lang, man kann die Tür nicht mehr schließen. Also ein Stück abschneiden, zwei Leitungen mit zwei Buchsen an
den Adapter anlöten, fertig ist der Prüfadapter.

Mit Zündung auf Stufe 2 fließen beim G55AMG(K) 463.270 zunächst etwa 0,05A Strom.
Sicherungsadapter
Sicherungsadapter Sicherungsadapter Strommessung M44 Strommessung M44
NTK-Pumpe fremd bestromen:

Um die Pumpe zu testen, benötigt man einen Adapter mit der richtigen Codierung oder man schleift am Stecker den Steg ab.
So kann man z.B. die Pumpe an eine Autobatterie anschließen, wobei die Polarität der Anschlüsse beachtet werden müssen.
M44 Pumpe Ladeluftkühler M44 Pumpe Ladeluftkühler M44 Pumpe Ladeluftkühler
4.3 G55AMG(K) Diagnose und Pumpe M44 (Motor aus). top

Prüfung Relais / Ansteuerung:

Am Kabel zur Pumpe ist am Stecker mittels Adapter (2. Bild: Steckergehäuse abgesägt, keine Codierung)
eine 12V-50W-Halogenglühbirne angeschlossen. Nach dem Einschalten der Pumpe mit der Diagnose wird über den
Sicherungsadapter der Strom (etwa 4,1 A) gemessen. Damit wird auch die Funktion des Relais K61 und die Ansteuerung getestet.
Pumpe Ladeluft-Kühler MQS-Adapter MQS-Adapter Sicherungsadapter
G55AMG(K):

Beim Start des Diagnose-Menues 'Ansteuerung der Pumpe M44' mit der Funktionstaste F3 schaltet sich
der Sauglüfter mit verringerter Drehzahl ein. Die Pumpe M44 kann mit den
Funktionstasten F3 bzw. F4 ein- oder ausgeschaltet werden.

Die Pumpe M44 wird auch angesteuert, wenn die Magnetkupplung des Kompressors mit F4 ein-
und mit F3 aus-geschaltet wird (Fehler: Funktionstasten in der Diagnose 2007 und 2012 vertauscht).

Ebenso schaltet sich mit dem Ein- bzw. Ausschalten des Sauglüfters die Pumpe ein- bzw. aus.

Unterbricht man die Leitung am Sicherungsadapter zum Messinstrument, schaltet der Sauglüfter ab, ebenso die Pumpe M44.
M44 Pumpe Ladeluftkühler
4.4 G55AMG(K): Strommessung Pumpe M44 (während der Fahrt): top

Nach dem Motorstart läuft die Pumpe nicht. Erst wenn man nach dem Anfahren etwas stärker Gas gibt, schaltet sich die Pumpe ein,
da sich auch der Kompressor zuschaltet (Magnetkupplung). Bleibt man an einer Kreuzung stehen, schaltet bei noch kaltem Motor
die Pumpe wieder ab. Bei leicht warmen Motor bei einem Halt läuft die Pumpe solange, bis der Motor ausgeschaltet wird.
Beim erneuten Motorstart läuft sie nicht.
4.5 SL55AMG: Diagnose und Pumpe M44: top

Beim Aufruf des Diagnose-Menues 'Ansteuerung der Pumpe M44' schalten sich der Sauglüfter mit verringerter Drehzahl und auch schon
die Pumpe M44 ein, ohne dass die Funktionstaste F3 betätigt wurde. Laut Menue kann die Pumpe M44 mit den
Funktionstasten F3 bzw. F4 ein- oder ausgeschaltet werden.
5. Teile: defekte NTK-Pumpe M44, G55AMG(K), A0005000186 (bzw. Bosch PCA 12V 0392022003): top

Zuerst die sechs Schrauben lösen und das Pumpengehäuse abziehen. Dabei fiel dunkler Abrieb aus dem Motorgehäuse heraus.
Das Pumpenflügelrad wird durch eine topfförmige Magnetkupplung angetrieben. Pumpenlager und Achse sind einwandfrei.
M44 Pumpe Ladeluftkühler M44 Pumpe Ladeluftkühler M44 Pumpe Ladeluftkühler M44 Pumpe Ladeluftkühler M44 Pumpe Ladeluftkühler
5.1 G55AMG(K): Elektromotor defekte NTK-Pumpe M44, A0005000186 (bzw. Bosch PCA 12V 0392022003): top
Zum Ausbau des Elektromotors müssen die eingedrückten seitlichen Sperrlaschen an beiden Seiten vom schwarzen Motorgehäuse aufgebogen werden.
Beide Aluseitenteile sind mit einem O-Ring abgedicht, sie lassen sich drehend aus dem Gehäuse herausziehen.
Der Anschlussteil enthält die Kollektorplatte mit den Kohlen.
M44 Pumpe Ladeluftkühler M44 Pumpe Ladeluftkühler M44 Pumpe Ladeluftkühler M44 Pumpe Ladeluftkühler
Nach der Zerlegung der defekten Pumpe M44 ist nun der Ausfall klar, die Kohlen sind nach 7 Jahren und 76.000km total abgeschliffen
und können nicht mehr am Kollektor mit Druck aufliegen.
M44 Pumpe Ladeluftkühler M44 Pumpe Ladeluftkühler M44 Pumpe Ladeluftkühler M44 Pumpe Ladeluftkühler M44 Pumpe Ladeluftkühler
Der Kollektor ist nur wenig eingeschliffen. Also sind die Kohlen dieser damaligen Pumpenserie 07/2005 Q1 zu weich (Zuliefererproblem).
Daher gab es auch die neue Pumpenausführung Q3. Bei Bosch gibt es im September 2013 die Kohlen mit der Nummer 0580 0016405456 nicht als Ersatzteil.

Abmessungen 12,0 x 6,1 x 14,6 mm
M44 Pumpe Ladeluftkühler M44 Pumpe Ladeluftkühler
5.2 SL55AMG: Elektromotor defekte NTK-Pumpe M44: top
Im Mai 2014 fiel auch die alte NTK-Pumpe beim SL55AMG von 7/2002 aus. Die Kohlen sind wie beim
G55AMG nach etwa 69.000 km und 12 Jahren abgeschliffen, wie sich bei der Zerlegung der Pumpe zeigte.
M44 Pumpe Ladeluftkühler
Valid HTML 4.01! Validation für HTML 4.01 - diese Seite validieren:

top zurück zum Anfang